Mitutoyo 1044A Analogna merilna ura www.1meritev.si

MERILNE URE, centrirne merilne ure STANDARD GAGE, TESA, MITUTOYO

Kategorije Proizvajalci ADABMIEstwingGarminGEOMAXHAGLOFKroeplinMitutoyoNestleRite in the RainSAUTERSOKKIASOPPECSUUNTOTOPCONTovarna meril KOVINE
Vpišite vaš epoštni naslov
za prejemanje naših novičk:
Nahajališče: / 1meritev / INTERNET  Trgovina / STROJNIŠTVO / MERILNE URE
Mitutoyo 1044A Analogna merilna ura

Mitutoyo 1044A Analogna merilna ura
Večja slika Večja slika

Analogna merilna ura 1044A Mitutoyo

 Premer analogne skale 40mm
 Merilno območje 5mm
 Pritrdilo uho na ohišju



1044A Analogna merilna ura Mitutoyo

Analogna merilna ura 1044A Mitutoyo
Mitutoyo Logo pomično merilo

 Analogna merilna ura MITUTOYO 1044A
premera 40mm - merilni nastavek - uho  

Analogna merilna ura 1044SB Mitutoyo

Mitutoyo 1044A analogna merilna ura z vrtljivo skalo. Robustno kovinsko ohišje z zunanjim premerom obroča merilne ure 40mm. Stebelno vreteno analogne merilne ure Mitutoyo 1044A je izdelano iz visoko kvalitetnega nerjaveče kovine, kateri je odporen na vsakodnevno uporabo v industriji, na hrbtni strani
merilnika je nastavek za pritjevanje - pritrdilno uho.
Analogna merilna ura Mitutoyo 1044A
z merilno skalo 0-100, delitvijo 0,01 in merilnim obsegom 5mm 

Lastnosti
• Kovinsko ohišje
• Stebelno vreteno premera 8mm
• Nastavljivi tolerančni kazalci 
• Odstopanje 15µm
• Zunanji premer obroča 40mm
• Odčitek 0,01mm
• Merilno območje 5mm
• Pritrdili nastavek - uho

             Merilna ura Mitutoyo 1044A merilno uho              

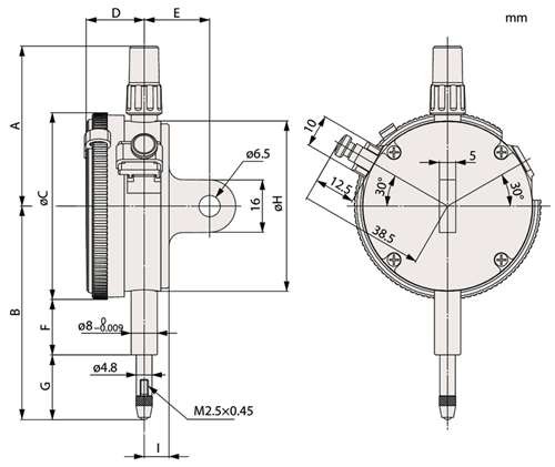
Tehnična risba katera vsebuje pritrdilnio uho na hrbtni strani:

Merilna ura 1044SB Mitutoyo

 

Certifikat z merilnimi rezultati

Analogna merilna ura Mitutoyo 1044A je izdelana v skladu z visokim standardom točnosti. Za zagotovitev kakovosti je izdelek laboratorijsko pregledan in vsebuje poročilo o kakovosti z merilnimi rezultati, katero je priloženo izdelku.




Cena:
89,30 €

Dobavljivost: 14 dni
Garancija: 12 mesecev
V košarico
V košarico
Cena:
89,30 €

Dobavljivost: 14 dni
Garancija: 12 mesecev
V košarico
V košarico

Št. izdelkov: 0
Cena: 0,00 €

Poglejte v košarico
SOKKIA Prodaja in Servis

TOPCON SOKKIA SLOVENIJA

Akcija - prihranite z nakupom po nižji ceni
     NAKUP na OBROKE

DINERS nakup na OBROKE

TELEFIX z merilnim kjunom
Ostali artikli v tej kategoriji:

GRADBENIŠTVO  / GOZDARSTVO / GEOLOGIJA  / GPS / STROJNIŠTVO  / OKOLJE  / Pogoji poslovanja  /  Podjetje  /  Kje smo /

                        TOBO'S trgovina d.o.o. , Ljubljana , Celovška 53, 1000 LJUBLJANA 
                        Tel (01) 43-32-333 , (01) 43-38-426| Fax (01) 43-32-333 |  E-pošta |

Vse cene vključujejo DDV in veljajo ob potrditvi naročila. Cene se lahko spremenijo brez predhodnega obvestila.
Na spletni tgrovini 1MERITEV si zelo prizadevamo objavljati samo preverjene in pravilne podatke; če na naši strani odkrijete neresnične, oziroma neustrezne informacije, nam to prosimo sporočite na info@1meritev.si . Slike so lahko samo simbolične in ne odsevajo vedno dejanskega stanja, za kar na odgovarja spletna trgovina


www.1meritev.si - vse pravice pridržane. Izdelava spletnih strani in spletno gostovanje www.normstudio.si